
新聞資訊News
認識貼片電阻_參數_類別_阻值_功率
貼片電阻是電路板上應用數量最多的一種元件,形狀為矩形,黑色,電阻體上一般標注為白色數字(小型電阻無標識,稱無印字貼片電阻),變頻器生產廠家在電路板上標注的元件序列號為R(如R1、R147等)。貼片電阻的基本參數有標稱阻值、額定功率、誤差級別,另外還有最高使用電壓、溫度系數等,我們只需關注標稱功阻值和額定功率值兩項參數就可以了。
圖1 貼片電阻外型圖
1、貼片電阻的工作參數和類別
1)額定阻值。最常見的有數字標識法。
a、用3位數字電阻值。前2位為十位、個位值,為有效數值,第3位是0的個數或稱為10的X次方。如標注為152,即為1500Ω;101,即為100Ω;103,即為10000Ω(10 kΩ)。
1Ω以下的值加R表示,如1R5,即1.5Ω;R10,即0.01Ω。
b、用4位數字表示電阻值。前3位為有效值,即千位、百位和個位值,第4位為0的個數。如標注為1501,即為1500Ω;標注為1000,即為100Ω;標注為681,即為680 Ω;標注為1003,即為100kΩ。1Ω以下的值加R表示,同上。
3色環和4色環阻值標注法,不常見,標注規則同普通電阻,不予贅述;精密型貼片電阻,用代碼標注法,由兩位數字加一位代碼組成,前兩位數字為有效值,第3位字母為乘數值。如01A——100Ω,02 C——100kΩ,不常見,但須注意!
2)額定功率。采用數字標識的貼片電阻多為黑色,其功率級別分為1/20W、1/16W、1/8W、1/10W、1/4W、1/2W、1W等,以1/16W、1/8W、1/10W、1/4W應用最多,一般功率越大,電阻體積也越大,功率級別是隨著尺寸逐步遞增的。另外相同的外形,顏色越深,功率值也越大。耗散功率為1W或1W以上的電阻,考慮到散熱要求,不得與印刷線路板直接接觸,因而所有電路板上用到的貼片電阻,一般都是小于1W的。貼片電阻的功率值受限,故在電路中需要較大功率電阻的地方,經常采用多只貼片電阻并聯(加串聯)的方法,來增大功率值。貼片電阻的功率值不在電阻體上直接標注,可以根據電阻的“個頭”來判斷電阻功率值的大小。
換用電阻元件時,一看數字標注的電阻值,二看電阻的體積大小,符合二者條件時,即可代換。
3)貼片熔斷電阻。這是貼片電阻中的一個特殊類型,出于電路安全考慮,不宜用普通貼片電阻予以代換,或輕易用導線短接。
貼片熔斷電阻,是在電路中起到熔絲保護作用的一種特殊貼片電阻,一般是串聯于某單元電路的供電支路中,當流過該電阻的電流超過一定數值,則其電阻層快速熔斷,切斷電路該單元電路的供電電源,避免故障擴大化。其電阻體的數字標注為000或0,是貼片熔斷電阻的特征,測量其正常電阻值為0Ω。
4)貼片排阻。這是另一類型的貼片電阻,最常見為4引腳2元件貼片排阻、8引腳4元件貼片電阻和10引腳8元件貼片排阻,8此腳4元件貼片排阻其內部含有4只同電阻值的相互獨立的電阻元件,標注為472的貼片排阻,指內部含有4只阻值為4.7k的電阻元件,用于集中使用相同阻值電阻元件的電路,如MCU引腳的上位電阻,在MCU的接口電路中應用較多。

圖2 貼片排阻與內部等效電路
2、如何判斷貼片電阻的阻值和功率大小?
如果能清晰看出貼片電阻體上的數字標識,判斷電阻值和功率值當然不存在問題。如果損壞電阻本身無標注,或已燒毀得面目全非,看不清標注,那么代換前的電阻值判斷就要費一點周折了,而且也必須做到心中有數,才能做出下一步的修復。有哪些方法可以作出較為準確的判斷呢?
1)參考本機型的相同電路中相對應元件的電阻值。變頻器電路中的相同電路很多,如6路IGBT驅動脈沖傳輸通道,其中6個支路是完全一樣的,從MCU脈沖信號輸出引腳,至緩沖電路、至驅動IC,至IGBT的柵、射極電路。任何其中1路或數個支路中的電阻或其它元件損壞,可能參考未損壞支路中貼片元件的參數值,如無標識,可在電路板上測量確定或將元件焊脫電路板進行測定。3相輸出電流(模擬信號)的傳輸通道,3個信號檢測電路也是一般也是完全相同的,一路有損壞時,可能未損壞兩路中的元件參數,確定損壞元件的參數值。
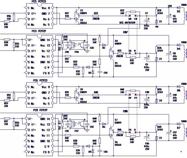
如圖2-9所示,PC5與PC6兩路驅動IC的外圍電路的元件參數完全相同;PC3與PC8兩路驅動IC的外圍元件參數完全相同,R17=R51、R23=R48、R22=R49……,當PC3外圍有元件損壞壞,可以“照搬”PC5相對應外圍元件的參數值進行修復。
同理,對晶體管、二極管、IC芯片等其它元件的損壞,當無法確定損壞元件參數時,可以參照同類型電路元件的參數值進行代換修復。
2)據電路類型確定元件參數。如MCU(微控制器)引腳上連接的上拉、下拉電阻損壞,MCU需外接上拉、下拉電阻的數字端口,一般內部為開漏結構,應用上拉或下拉電阻,可以避免I/O口存在電平漂移狀態,維持一個靜態的穩定電平。其電阻選值一般為10kΩ、6.8kΩ、5.1kΩ、4.7kΩ、3.3kΩ等,取值過小耗電增大,取值過大,則引發電平漂移或易引入干擾。只要確定損壞貼片電阻為MCU引腳的上位、下接電阻,則可以直接確定該損壞元件的阻值也在3.3~10kΩ的范圍之內。當然也可以參考其它上位、下拉電阻的電阻值。

圖3 參考相同電路中元件參數示意圖
圖4 MCU引腳的上拉電阻的電路示意圖
如圖4所示,U2的脈沖引腳的上拉電阻為5.1k,在3.3~10kΩ的范圍之內。
3)參考同類機型確定元件參數值。沒有相同電路可能參考,也不能像上拉、下拉電阻一樣可以大致“估算”出元件的參數,找到同類機型進行比對測量,也能確定損壞元件的參數值。
4)調整試驗得出元件的參數值。若無同類機型進行參考,需要費點力氣測繪出該部分電路,搞明白損壞電阻在電路中的位置和具體作用,與其它元件的連接方法,“估算”出大致的電阻值,若仍無把握,將損壞電阻,暫時接入電位器,變頻器上電,調整電位器進行試驗,配合人工信號給定、后續電路對信號作出的反應、面板顯示等,測出電位器的電阻值,進而確定損壞電阻的參數。
相關新聞
推薦產品




微信公眾號